Vw Dune Buggy Wiring Diagram 22++ Images Result
Vw Dune Buggy Wiring Diagram. Your source for all your aircooled vintage vw parts in 2021 alternator vw beetles vw parts. Universal chrome turn signal switch with indicator light tip.
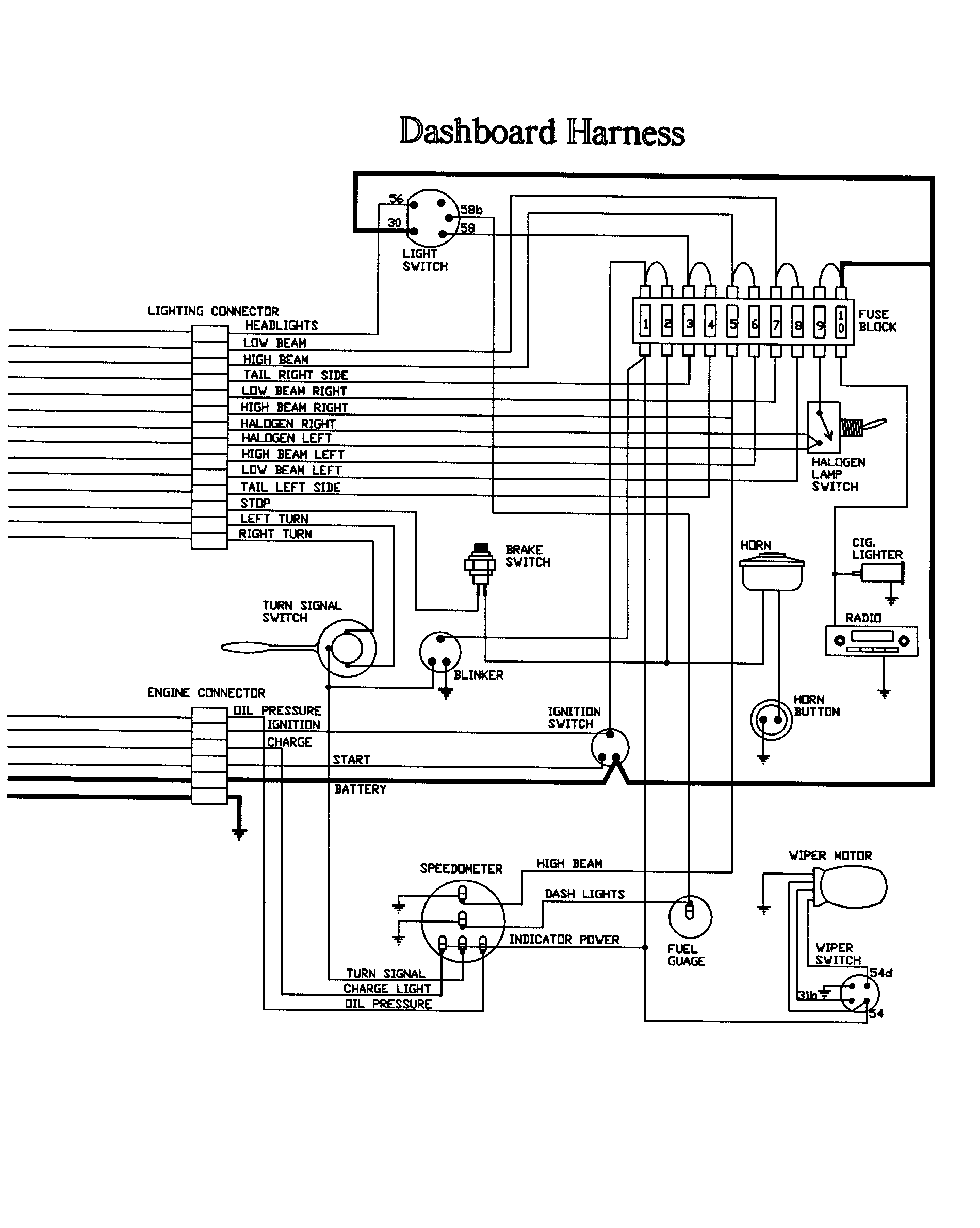
The instructions aren't a big deal, if you are undertaking this project you know how to think and read a wiring diagram. I planned to use the original speedometer, light switch, and wiper switch so elfrink's wiring was close to my. For additional wiring diagrams info, see electrical system (e) in the technical bulletins index.
2006 range rover hse fuse box 2000 ford 4 6l engine diagram 3 way switch to schematic wiring diagram chevy transmission wiring diagram 460
I recently replaced the wiring harness in my dune buggy
Simple wiring diagram vw dune vw dune buggy dune buggy vw engine gm 3 wire alternator idiot light hook up hot rod forum wiring diagram ford tractor 2310 with images ford tractors the karmann ghia online resource technical electrical pin on john deere mower z445 wiring hot rod turn signals machanic information electric cars 3 wire alternator. Universal chrome turn signal switch with indicator light tip. Can also work with woods buggies or similar. So that we attempted to find some terrific vw.

Source: pinterest.com
This product has no videos. It shows the elements of the circuit. Vw dune buggy wiring diagram from i.pinimg.com. Headlights to tail lights this kit does it all. Vw buses from to , including pictures, descriptions, and technical information of microbuses, diagram.

Source: tops-stars.com
1975 vw super beetle 1965 vw wiring diagram vw beetle generator internal. Manx club manx club dune buggy wiring harness aircooled net volkswagen parts. 1961 beetle wiring diagram vw beetles vw dune buggy vw bug. The basis for my design is the wiring diagram from my 1964 version of henry elfrink's volkswagen technical manual. Great for dune buggies, manx buggies.

Source: schematron.org
And, vw beetle wiring diagram ebay, vw bug wiring kit 1972 1974 vw parts jbugs com, 1974 vw sand rail dune buggy 2 0 turbo watercooled 250hp, wiring vw resource com, 1974 volkswagen beetle ecm wiring best place to find, new vw buggy best place to find wiring and datasheet, vw amp dune buggy alternator wiring, 1974 vw bug wiring.

Source: bangshift.com
June 7, 2015, 09:00 pm. Vw buses from to , including pictures, descriptions, and technical information of microbuses, diagram. Effectively read a wiring diagram, one has to know how typically the components in the method operate. In the shortest possible time, an ultramodern factory was built in. The instructions aren't a big deal, if you are undertaking this project you.

Source: tops-stars.com
This vw dune buggy wiring harness is a basic harness to allow you to wire up that buggy project. Complete wiring kit includes 6 panel fuse box, fuses, wire, ends, and electrical tape. Purchase this wiring diagram here: If you are going to do the wiring yourself make a diagram as you go and use. I just got a rail.

Source: diagramweb.net
Can also work with woods buggies or similar. Simple wiring diagram vw dune vw dune buggy dune buggy vw engine gm 3 wire alternator idiot light hook up hot rod forum wiring diagram ford tractor 2310 with images ford tractors the karmann ghia online resource technical electrical pin on john deere mower z445 wiring hot rod turn signals machanic information.

Source: justanswer.com
This product has no manuals. I found a wiring diagram for a 65 beetle that has 8 circuits. The basis for my design is the wiring diagram from my 1964 version of henry elfrink's volkswagen technical manual. I can wire stuff after reviewing it 100 times, but as far as wiring a whole car i'm kinda at a loss. The.

Source: skippingtheinbetween.blogspot.com
Dune buggy and sandrail wiring daigram. I found a wiring diagram for a 65 beetle that has 8 circuits. When looking for the best in vw, dune buggy, sand rail and utv parts and accessories, we have you covered. If you are going to do the wiring yourself make a diagram as you go and use. Universal chrome turn signal.

Source: pinterest.com
Simple wiring diagram vw dune vw dune buggy dune buggy vw engine gm 3 wire alternator idiot light hook up hot rod forum wiring diagram ford tractor 2310 with images ford tractors the karmann ghia online resource technical electrical pin on john deere mower z445 wiring hot rod turn signals machanic information electric cars 3 wire alternator. Dune buggy wiring.

Source: justanswer.com
Can also work with woods buggies or similar. December 19, 2020 1 margaret byrd. Empi 9466 wiring harness empi 9466 wire loom wiring diagram instructions page 1 empi 9466 wire loom wiring diagram instructions page 2 empi wire loom instructions for your dune buggy, sand rail, shortened pan or manx tub buggy. Vw dune buggy wiring diagram. Fuel injection wiring.

Source: justanswer.com
The basis for my design is the wiring diagram from my 1964 version of henry elfrink's volkswagen technical manual. This vw dune buggy wiring harness is a basic harness to allow you to wire up that buggy project. This product has no videos. The buggy has an aftermarket ignition switch, a stock vw turn signal lever, flip switches for the.

Source: pinterest.com
The basis for my design is the wiring diagram from my 1964 version of henry elfrink's volkswagen technical manual. Simple wiring diagram vw dune vw dune buggy dune buggy vw engine gm 3 wire alternator idiot light hook up hot rod forum wiring diagram ford tractor 2310 with images ford tractors the karmann ghia online resource technical electrical pin on.

Source: pinterest.com
Your source for all your aircooled vintage vw parts in 2021 alternator vw beetles vw parts. Effectively read a wiring diagram, one has to know how typically the components in the method operate. It shows the elements of the circuit. Great for dune buggies, manx buggies or kit cars. June 7, 2015, 09:00 pm.

Source: pinterest.com
I planned to use the original speedometer, light switch, and wiper switch so elfrink's wiring was close to my. Here's the wiring i got with the dune buggy. Dune buggy and sandrail wiring daigram. Can also work with woods buggies or similar. Actually, we also have been realized that vw dune buggy wiring diagram is being just about the most.

Source: wiringdiagram.2bitboer.com
Empi 9466 wiring harness empi 9466 wire loom wiring diagram instructions page 1 empi 9466 wire loom wiring diagram instructions page 2 empi wire loom instructions for your dune buggy, sand rail, shortened pan or manx tub buggy. Wire sizes on these and most other wiring diagrams are printed on the wire in mm 2.for americans who express wire sizes.

Source: wiring89.blogspot.com
Manx dune buggy electrical & wiring. This product has no videos. Vw dune buggy wiring harness diagram. Empi 9466 wiring harness empi 9466 wire loom wiring diagram instructions page 1 empi 9466 wire loom wiring diagram instructions page 2 empi wire loom instructions for your dune buggy, sand rail, shortened pan or manx tub buggy. Effectively read a wiring diagram,.

Source: justanswer.com
Empi 9466 universal wire harness with fuse box. The basis for my design is the wiring diagram from my 1964 version of henry elfrink's volkswagen technical manual. This vw dune buggy wiring harness is a basic harness to allow you to wire up that buggy project. Purchase this wiring diagram here: The buggy has an aftermarket ignition switch, a stock.

Source: diagramweb.net
Your source for all your aircooled vintage vw parts in 2021 alternator vw beetles vw parts. The buggy has an aftermarket ignition switch, a stock vw turn signal lever, flip switches for the lights, and a dimmer switch. Vw dune buggy wiring diagram. 1972 vw beetle voltage regulator wiring diagram. I found a wiring diagram for a 65 beetle that.

Source: pinterest.de
Vw dune buggy wiring diagram from i.pinimg.com. Dune buggy and sandrail wiring daigram. Your source for all your aircooled vintage vw parts in 2021 alternator vw beetles vw parts. So that we attempted to find some terrific vw. I just got a rail given to me having fun with dune buggies since i have a basic understanding of wiring.

Source: tops-stars.com
Dune buggy and sandrail wiring daigram. 1975 vw super beetle 1965 vw wiring diagram vw beetle generator internal. Vw dune buggy wiring diagram. 5 fused circuits, and 1 ground bus bar with. Headlights to tail lights this kit does it all.