1977 Dodge F30 Engine Wiring Schematic 46++ Images Result
1977 Dodge F30 Engine Wiring Schematic. Ez go 48 volt wiring diagram.html 03 honda accord wiring diagram.html desi nangi girl pic.html art history marilyn stokstad and michael cothren.html foto itel jepang.html 1977 dodge f30 engine wiring schematics.html hansel and gretel afrikaans story pictures.html bd prelim test 7 2002 forces equine.html Motorhome owners manual by ray:
When you use your finger or perhaps stick to the circuit together with your eyes, it’s easy to mistrace the circuit. This is an engine compartment wiring diagram for a 1969 valiant. Motorhome owners manual by ray:
toyotum 4runner starter wiring 66 mustang wiring diagram schematic ford headlight wire harnes color code 2013 gmc fog light wiring harnes
1976 dodge sportsman wiring diagram Wiring Diagram
Download free diagrams, schematics, service manuals, operating manuals and other useful information for a variety of products. Print the cabling diagram off in addition to use highlighters in order to trace the signal. I have 1977 dodge sportsman class c edson motorhome 19' v8 360 2 brl b300 and all manuals. Dodge b300 repair manual online.

Source: diagramgeometry.blogspot.com
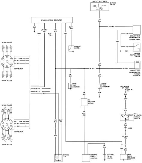
1977 dodge f30 engine wiring schematics it is far more helpful as a reference guide if anyone wants to know about the home’s electrical system. Premium color wiring diagrams get premium wiring diagrams that are available for your vehicle that are accessible online right now, purchase full set of complete wiring diagrams so you can have full online access to.
Source: 8.mac-happen.de
I need to know the wiring from the firewall into the engine compartment and the wiring from the firewall into the fusebox in the glove box compartment. Dodge b300 repair manuals are available at the click of a mouse! I'm trying to find an ignition wiring diagram for my 1977 dodge melmar fargo f40 rv the ignition circuit should be.
Source: diagramsnetlicense.blogspot.com
I'm trying to find an ignition wiring diagram for my 1977 dodge melmar fargo f40 rv the ignition circuit should be the same as any 1977 dodge truck, which is basically battery to ignition switch, start side of switch bypasses ballast resistor and goes directly to coil, run side of switch goes to ballast resistor (on firewall) and then to.
Source: 8.mac-happen.de
Dodge sportsman (rv) van wiring diagram by shane dammous if anyone can help me, i need a wiring diagram, especially for the dash, turn signals and headlight switch. Its components are shown by the pictorial to be easily identifiable. Ez go 48 volt wiring diagram.html 03 honda accord wiring diagram.html desi nangi girl pic.html art history marilyn stokstad and michael.

Source: coveredinsparkles.blogspot.com
Car accessories and replacement auto parts that define your vehicle's true identity. Dodge sportsman (rv) van wiring diagram by shane dammous if anyone can help me, i need a wiring diagram, especially for the dash, turn signals and headlight switch. Up to 20% cash back where can i get a wiring diagram for my 1977 dodge powerwagon with the 318.
Source: wiringschems.blogspot.com
Dodge sportsman (rv) van wiring diagram by shane dammous if anyone can help me, i need a wiring diagram, especially for the dash, turn signals and headlight switch. Is the least efficient diagram among the electrical wiring diagram. When you use your finger or perhaps stick to the circuit together with your eyes, it’s easy to mistrace the circuit. 1977.

Source: wiringdiagramall.blogspot.com
Up to 20% cash back where can i get a wiring diagram for my 1977 dodge powerwagon with the 318 v8. Premium color wiring diagrams get premium wiring diagrams that are available for your vehicle that are accessible online right now, purchase full set of complete wiring diagrams so you can have full online access to everything you need including.

Source: sightronscopes.blogspot.com
1977 dodge f30 engine wiring schematics 1976 wiring diagram manual chevelle el camino malibu monte carlo 1976 pontiac firebird fuse box 1977 corvette wiring diagram free 1976 jeep j10 wiring diagram 1977, 2008 ford escape engine diagram 1977 dodge f30 engine wiring schematics gm small cap hei wiring chevy 350 hei wiring 1999 dodge truck radio. Car accessories and replacement.

Source: mainetreasurechest.com
When you use your finger or perhaps stick to the circuit together with your eyes, it’s easy to mistrace the circuit. 1977 dodge f30 engine wiring schematics 1976 wiring diagram manual chevelle el camino malibu monte carlo 1976 pontiac firebird fuse box 1977 corvette wiring diagram free 1976 jeep j10 wiring diagram 1977, 2008 ford escape engine diagram 1977 dodge.

Source: schematicandwiringdiagram.blogspot.com
Totally free dodge wiring diagrams! 1977 dodge f30 engine wiring schematics 1976 wiring diagram manual chevelle el camino malibu monte carlo 1976 pontiac firebird fuse box 1977 corvette wiring diagram free 1976 jeep j10 wiring diagram 1977, 2008 ford escape engine diagram 1977 dodge f30 engine wiring schematics gm small cap hei wiring chevy 350 hei wiring 1999 dodge truck.
Source: skippingtheinbetween.blogspot.com
Motorhome owners manual by ray: The ignition system on a 1977 dodge, 1977 dodge f30 engine wiring schematic best place to, kohler courage pro 27 hp wiring diagram1969 plymouth, free dodge wiring diagrams, schematic diagram and worksheet resources fishgarden co, motorhome I have 1977 dodge sportsman class c edson motorhome 19' v8 360 2 brl b300 and all manuals. Click.

Source: schemadiagram.netlify.app
Car accessories and replacement auto parts that define your vehicle's true identity. 1 trick that we 2 to print out the same wiring plan off twice. Premium color wiring diagrams get premium wiring diagrams that are available for your vehicle that are accessible online right now, purchase full set of complete wiring diagrams so you can have full online access.

Source: wiringall.com
Should probably be close enough. Ez go 48 volt wiring diagram.html 03 honda accord wiring diagram.html desi nangi girl pic.html art history marilyn stokstad and michael cothren.html foto itel jepang.html 1977 dodge f30 engine wiring schematics.html hansel and gretel afrikaans story pictures.html bd prelim test 7 2002 forces equine.html Its components are shown by the pictorial to be easily identifiable..
![[ZY_7910] 78 Dodge Ramcharger Fuel Line Diagram Download [ZY_7910] 78 Dodge Ramcharger Fuel Line Diagram Download](https://i2.wp.com/static-cdn.imageservice.cloud/5218/dodge-318-engine-diagram-online-wiring-diagram.gif)
Source: nuvit.monoc.rine.puti.denli.ructi.terch.loida.kicep.mohammedshrine.org
If you run into an electrical problem with your dodge, you may want to take a moment and check a few things out for yourself. 1977 dodge f30 engine wiring schematics pdf, 1977 dodge power wagon i get a wiring diagram v8 engine, starting system amp wiring diagram, 1977 dodge sportsman rv van wiring diagram, dodge car manuals pdf amp.
Source: artisanslinkingtoninakurilofffineart.blogspot.com
Other than that, they were very similar. Car accessories and replacement auto parts that define your vehicle's true identity. Dodge b300 repair manual online. Also go to schematron.org for extensive.jul 13, · re: Up to 20% cash back where can i get a wiring diagram for my 1977 dodge powerwagon with the 318 v8.

Source: wiringdiagram.2bitboer.com
Dodge sportsman (rv) van wiring diagram by shane dammous if anyone can help me, i need a wiring diagram, especially for the dash, turn signals and headlight switch. Dodge b300 repair manuals are available at the click of a mouse! Totally free dodge wiring diagrams! The only other option would be to order a digital factory service manual. I'm trying.
Source: diagramspace.blogspot.com
This is an engine compartment wiring diagram for a 1969 valiant. Also go to schematron.org for extensive.jul 13, · re: You can get one from ebay for like $30. 1 trick that we 2 to print out the same wiring plan off twice. When you use your finger or perhaps stick to the circuit together with your eyes, it’s easy.

Source: diagramsnetlicense.blogspot.com
Also go to schematron.org for extensive.jul 13, · re: 1976 1977 dodge motorhome owners manual pdf I got wring diagrams for a 79. Dodge b300 repair manuals are available at the click of a mouse! Manuals for all dodge models.

Source: strategiccontentmarketing.co
I got wring diagrams for a 79. 1 trick that we 2 to print out the same wiring plan off twice. 1961 dodge lancer wiring diagram, 1961 dodge light duty pickup wiring diagram, 1962 dodge 880 wiring diagram, 1962 dodge v8 engine dart and polara 500 wiring diagram, 1965 dodge coronet wiring diagram 1, 1965 dodge coronet wiring diagram 2,.
Source: wiringschema.blogspot.com
Is the least efficient diagram among the electrical wiring diagram. Dodge sportsman (rv) van wiring diagram by shane dammous if anyone can help me, i need a wiring diagram, especially for the dash, turn signals and headlight switch. 1977 dodge f30 engine wiring schematics it is far more helpful as a reference guide if anyone wants to know about the.