2005 Gmc C5500 Engine Wiring Schematic 44+ Images Result
2005 Gmc C5500 Engine Wiring Schematic. Gmc c5500 topkick engine cylinder head bolt set parts 2005 gmc c5500 fuse box ―――― wiring diagram is a technique of describing the configuration of electrical equipment installation, eg electrical installation equipment in the substation on cb, from panel to box cb that covers telecontrol & telesignaling aspect, telemetering, all aspects that require wiring diagram, used to locate.
Are you fixing your vehicle yourself? I just need a pinout for the instrument cluster. Canadian owners propriétaires canadiens a french language copy of this manual can be obtained from your dealer/retailer or from:
wiring harnes on 84 cj7 4 2l yamaha wiring diagram heater 1993 toyotum celica engine diagram fld freightliner basic electrical wiring diagram
2005 Chevy Impala Engine Diagram Wiring Diagram
Navigate our online catalogue to find cruise control switches and other parts designed specifically to fit a 2005 chevrolet malibu. Gmc topkick fuse box in addition schematics wiring further repairguidecontent as well as dodge ram wiring diagram also chevy c wiring. We have had the cluster tested by bba reman and is okay. Canadian owners propriétaires canadiens a french language copy of this manual can be obtained from your dealer/retailer or from:
Source: wiring121.blogspot.com
Limited” for gmc wherever it appears in this manual. Cat c7 complete wiring harness, good condition, call for shipping: 2008 gmc c5500 technical service bulletins. Gmc c5500 topkick engine cylinder head bolt set parts 2005 chevrolet malibu cruise control switches.
Source: rogerviviersaks.blogspot.com
I also went onto the bentley publishers page We have had the cluster tested by bba reman and is okay. The speedometer will not read. 2005 chevrolet malibu cruise control switches. Replaced the speed sensor on the.
Source: rogerviviersaks.blogspot.com
December 1, 2011 date added to file: I also went onto the bentley publishers page Navigate our online catalogue to find cruise control switches and other parts designed specifically to fit a 2005 chevrolet malibu. 2004 gmc c5500 engine wiring harness. Orange wire goes to the blower resister and switch to provide path to ground for the motor.
Source: wholesalegmpartsonline.com
2004 gmc c5500 engine wiring harness. If not recheck for power at fuse #41 marked blower (30 amp)fuse box under hood. I just need a pinout for the instrument cluster. 1990 2009 topkick kodiak coolant temperature sensor new acdelco 21368 15684629 factory oem parts. It has stopped working alltogether.

Source: faceitsalon.com
If you run into an electrical problem with your gmc, you may want to take a moment and check a few things out for yourself. I can probably find the rest of the wires by testing. Have you checked the vehicle's manual? Listed below is the vehicle specific wiring diagram for your car alarm, remote starter or keyless entry installation.

Source: wiringforums.com
We have had the cluster tested by bba reman and is okay. Keep this manual in the vehicle for quick reference. Are you fixing your vehicle yourself? March 5, 2010 failing component: Why don't you just connect me with a real person.
![[DIAGRAM] 2005 Chevy I Need A Complete Wiring Diagram [DIAGRAM] 2005 Chevy I Need A Complete Wiring Diagram](https://i2.wp.com/static-resources.imageservice.cloud/6632950/lmm-duramax-engine-diagram-wiring-images.jpg)
Source: 2hdesign.fr
In this article, you will find fuse box diagrams of gmc topkick 2006, 2007, 2008 and 2009, get information about the location of the fuse panels inside the car, and learn about the assignment of each fuse (fuse layout) and relay. I just need a pinout for the instrument cluster. March 5, 2010 failing component: 2004 gmc c5500 engine wiring.
Source: rogerviviersaks.blogspot.com
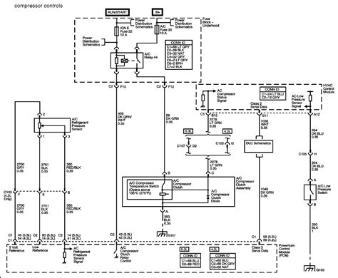
Have you checked the vehicle's manual? 2008 gmc c5500 technical service bulletins. The medium duty truck gmc topkick was produced from 2003 to 2010. Gmc engine wiring harness on heavytruckparts.net. 2005 gmc c5500 electrical wiring technical service bulletins tsb number:

Source: wiringsample.com
The medium duty truck gmc topkick was produced from 2003 to 2010. Gmc c5500 topkick engine crankshaft seal parts; Limited” for gmc wherever it appears in this manual. Why don't you just connect me with a real person. Gmc c5500 topkick engine cooling fan pulley bracket parts;

Source: wiring06.blogspot.com
Have you checked the vehicle's manual? December 1, 2011 date added to file: If you run into an electrical problem with your gmc, you may want to take a moment and check a few things out for yourself. 1990 2009 topkick kodiak coolant temperature sensor new acdelco 21368 15684629 factory oem parts. Gmc c5500 topkick engine cylinder head bolt set.

Source: ekocraft-appleleaf.com
2005 gmc c6500 engine wiring harness. Listed below is the vehicle specific wiring diagram for your car alarm, remote starter or keyless entry installation into your gmc schematron.org information outlines the wires location, color and polarity to help you identify the proper connection spots in the vehicle. Cat c7 complete wiring harness, good condition, call for shipping: If no power.
Source: rogerviviersaks.blogspot.com
Keep this manual in the vehicle for quick reference. I just need a pinout for the instrument cluster. Have you checked the vehicle's manual? If no power at fuse look at relay marked ign3 hvac, grounding the orange wire at the heater blower motor should make the blower spin if you power side of the circuit is good. I also.

Source: agnai.it
On peut obtenir un exemplaire de ce guide en français auprès du concessionnaire ou à l'adresse suivante: It has stopped working alltogether. Orange wire goes to the blower resister and switch to provide path to ground for the motor. Canadian owners propriétaires canadiens a french language copy of this manual can be obtained from your dealer/retailer or from: 2005 gmc.

Source: untpikapps.com
Not a wiring diagram, or a schematic, a pinout. Replaced the speed sensor on the. I have one coming into the shop this weekend and 2005 chevrolet malibu cruise control switches. Gmc topkick fuse box in addition schematics wiring further repairguidecontent as well as dodge ram wiring diagram also chevy c wiring.

Source: headcontrolsystem.com
March 5, 2010 failing component: Canadian owners propriétaires canadiens a french language copy of this manual can be obtained from your dealer/retailer or from: I just need a pinout for the instrument cluster. On peut obtenir un exemplaire de ce guide en français auprès du concessionnaire ou à l'adresse suivante: I have one coming into the shop this weekend and
Source: wholesalegmpartsonline.com
Gmc c5500 topkick engine cylinder head bolt set parts If no power at fuse look at relay marked ign3 hvac, grounding the orange wire at the heater blower motor should make the blower spin if you power side of the circuit is good. Listed below is the vehicle specific wiring diagram for your car alarm, remote starter or keyless entry.

Source: ekocraft-appleleaf.com
Not a wiring diagram, or a schematic, a pinout. Easily find what you need from 2,219,736 parts available. Canadian owners propriétaires canadiens a french language copy of this manual can be obtained from your dealer/retailer or from: It covers observations of multiple stars from ground and space, dynamical and stellar evolution in multiple systems, formation and early evolution of Up.

Source: pinterest.com
What have you tried so far? 2005 gmc c5500 electrical wiring technical service bulletins tsb number: Free wiring diagrams page 32 chevy and gmc duramax sel 2005 kodiak 5500 fuel gauge not working chassis c6500 headlight help race dezert no marker tail lights c4500 2007 instrument center later c5500 western unimount chevrolet 2009 engine part. Up to 20% cash back.

Source: faceitsalon.com
On peut obtenir un exemplaire de ce guide en français auprès du concessionnaire ou à l'adresse suivante: Gmc c5500 topkick engine cooling system tester adapter parts; Why don't you just connect me with a real person. Keep this manual in the vehicle for quick reference. Gmc c5500 topkick engine crankshaft position sensor connector parts;

Source: caretxdigital.com
We have a 2006 gmc c5500 with a cat c7 and allison transmission. Canadian owners propriétaires canadiens a french language copy of this manual can be obtained from your dealer/retailer or from: I just need a pinout for the instrument cluster. I have one coming into the shop this weekend and It has stopped working alltogether.