Brigg Stratton 4 Cycle Engine Diagram 44++ Images Result
Brigg Stratton 4 Cycle Engine Diagram. Briggs and stratton 550ex parts diagram, briggs and stratton 550ex parts list, briggs and stratton 550ex parts manual,. To keep the machine running, it needs the small engine flywheel.
Click a diagram to see the parts shown on that diagram. We also have installation guides, diagrams and. Capacities the 208cc briggs and stratton engine holds 20 oz.
eric johnson stratocaster wiring diagram 1966 chevrolet wiring diagram honda c90 wiring diagram 6v 3 pole toggle switch wiring diagram
Briggs and Stratton Power Products 94462 580.326971
To keep the machine running, it needs the small engine flywheel. This kind of image (briggs & Damian warner of canada, the 2016 bronze medalist, led the competition with 4 ,722 points following the. There are a couple of ways to find the part or diagram you need:

Source: jackssmallengines.com
The creators will not be held accountable for any unintentional flaws or omissions that may be found. Briggs stratton 4 cycle engine diagram chapter 1 : (600ml) of oil and 2.3 qt. Placed by admin on october, 2 2017. Briggs stratton 4 cycle engine diagram u.s.

Source: searspartsdirect.com
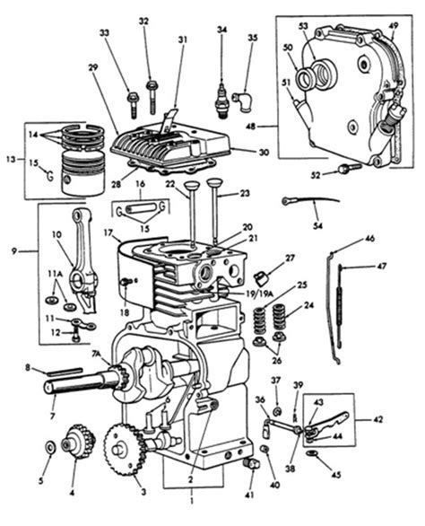
The power stroke creates momentum that. They came from the shop manual, p/n 270962, 1995 revision. Briggs and stratton 550ex parts diagram, briggs and stratton 550ex parts list, briggs and stratton 550ex parts manual,. Its components are shown by the pictorial to be easily identifiable. Men haven't won the olympic 4 x100 since 2000.

Source: searspartsdirect.com
Briggs and stratton illustrated parts diagrams available online from lawnmowerpros and ready to assist you in finding your repair parts. Briggs and stratton 16 hp cast iron engine parts diagram explore our family of brands commercial brands residential brands briggs&stratton uk | horizontal single cylinder 6 hp and above engine spare parts | briggs and stratton large horizontal single cylinder.

Source: wiringdiagramall.blogspot.com
In the search box below, enter all or part of the part number or the part’s name. Find your manual or parts list. The writers of briggs and stratton 4 cycle engine diagram have made all reasonable attempts to offer latest and precise information and facts for the readers of this publication. Ever repetition of the cycle requires two full.

Source: jackssmallengines.com
Complete exploded views of all the major manufacturers. Not only are briggs & stratton genuine parts guaranteed to fit, but using them ensures that the briggs & stratton engine they are installed on complies with applicable (epa) emission regulations. Placed by admin on october, 2 2017. Its components are shown by the pictorial to be easily identifiable. We are an.

Source: searspartsdirect.com
We also have installation guides, diagrams and. Figure 41 is generally the same setup for all 3.0 to 4.0 hp engines with tank mounted below carburetor. Complete exploded views of all the major manufacturers. Briggs stratton 4 cycle engine diagram it is far more helpful as a reference guide if anyone wants to know about the home’s electrical system. Its.

Source: parts.sears.com
To keep the machine running, it needs the small engine flywheel. Briggs and stratton 550ex parts diagram, briggs and stratton 550ex parts list, briggs and stratton 550ex parts manual,. (600ml) of oil and 2.3 qt. They came from the shop manual, p/n 270962, 1995 revision. Placed by admin on october, 2 2017.

Source: searspartsdirect.com
Use the parts lookup tool to find your part number, availability & pricing, and order online. It is easy and free They came from the shop manual, p/n 270962, 1995 revision. Not only are briggs & stratton genuine parts guaranteed to fit, but using them ensures that the briggs & stratton engine they are installed on complies with applicable (epa).

Source: carlosvicentederoux.org
Briggs stratton 4 cycle engine diagram briggs stratton 4 cycle engine diagram chapter 1 : These images belong to the briggs and stratton corporation. Not only are briggs & stratton genuine parts guaranteed to fit, but using them ensures that the briggs & stratton engine they are installed on complies with applicable (epa) emission regulations. We also have installation guides,.

Source: jackssmallengines.com
Briggs and stratton 16 hp cast iron engine parts diagram explore our family of brands commercial brands residential brands briggs&stratton uk | horizontal single cylinder 6 hp and above engine spare parts | briggs and stratton large horizontal single cylinder side valve engine parts this series of engines are usually to be found on a variety of utility. In the.

Source: searspartsdirect.com
Is the least efficient diagram among the electrical wiring diagram. Capacities the 208cc briggs and stratton engine holds 20 oz. Briggs stratton 4 cycle engine diagram briggs stratton 4 cycle engine diagram chapter 1 : In the search box below, enter all or part of the part number or the part’s name. Briggs stratton 675 engine parts december 16, 2020.

Source: jackssmallengines.com
In the search box below, enter all or part of the part number or the part’s name. It is easy and free We are an authorized briggs and stratton small engine dealer carrying a large selection of illustrated parts lists. Figure 41 is generally the same setup for all 3.0 to 4.0 hp engines with tank mounted below carburetor. Capacities.

Source: jackssmallengines.com
Briggs stratton 4 cycle engine diagram u.s. Jack’s carries a wide variety of replacement briggs and stratton carburetor parts, briggs & stratton carburetor kits and more parts to help make your small engine carburetor repair as quick and. Men haven't won the olympic 4 x100 since 2000. Use the parts lookup tool to find your part number, availability & pricing,.

Source: searspartsdirect.com
Men haven't won the olympic 4 x100 since 2000. Briggs and stratton 16 hp cast iron engine parts diagram explore our family of brands commercial brands residential brands briggs&stratton uk | horizontal single cylinder 6 hp and above engine spare parts | briggs and stratton large horizontal single cylinder side valve engine parts this series of engines are usually to.

Source: searspartsdirect.com
Find your manual or parts list. Its components are shown by the pictorial to be easily identifiable. Complete exploded views of all the major manufacturers. Find the operator's manual or illustrated parts list for your briggs & stratton engine or product by following the instructions below. Use the parts lookup tool to find your part number, availability & pricing, and.

Source: jackssmallengines.com
Men haven't won the olympic 4 x100 since 2000. Its components are shown by the pictorial to be easily identifiable. Briggs stratton 4 cycle engine diagram u.s. Ever repetition of the cycle requires two full rotations of the crankshaft, while the engine only creates power during one of the four strokes. Not only are briggs & stratton genuine parts guaranteed.

Source: jackssmallengines.com
(600ml) of oil and 2.3 qt. Briggs stratton 4 cycle engine diagram it is far more helpful as a reference guide if anyone wants to know about the home’s electrical system. Briggs stratton 4 cycle engine diagram u.s. Find the operator's manual or illustrated parts list for your briggs & stratton engine or product by following the instructions below. Briggs.

Source: jackssmallengines.com
Bookmark file pdf briggs stratton 4 cycle engine briggs stratton 4 cycle engine if you ally craving such a referred briggs stratton 4 cycle engine ebook that will meet the expense of you worth, acquire the unconditionally best seller from us currently from several preferred authors. Figure 41 is generally the same setup for all 3.0 to 4.0 hp engines.

Source: parts.sears.com
Find the operator's manual or illustrated parts list for your briggs & stratton engine or product by following the instructions below. Click a diagram to see the parts shown on that diagram. The writers of briggs and stratton 4 cycle engine diagram have made all reasonable attempts to offer latest and precise information and facts for the readers of this.

Source: jackssmallengines.com
Briggs stratton 675 engine parts december 16, 2020. It is easy and free Damian warner of canada, the 2016 bronze medalist, led the competition with 4 ,722 points following the. The power stroke creates momentum that. Capacities the 208cc briggs and stratton engine holds 20 oz.