L298 H Bridge Circuit Diagram 26++ Images Result
L298 H Bridge Circuit Diagram. Motors will last much longer and be more reliable if controlled through pwm. L298 pin diagram and working of the h bridge motor driver.
This rpm depends on the supplied voltage, it will fault dc, current is 0.14 ampere and speed is 3500 rpm, 818 volt dc current is 0.15 ampere and speed is 4 4500 rpm, 824. The output for motor 1 is obtained from output1/output2 and output3/output4 as. This article will go over the basic features and specs of these modules and will explain how you.
66 chevy nova wiring diagram 1976 dodge motorhome wiring diagram obd1 vr6 engine compartment diagram block diagram google
Interface Arduino Controlling L298N HBridge Motor Control
Pulse width modulation is a means in controlling the duration of an electronic pulse. The external bridge of diodes d1 to d4 is made by four fast recovery elements (trr ≤. 775 motor with l298n dual h bridge motor driver and arduino, circuit diagram and code. Circuit and diagram created in pcbwizard.

Source: ebay.com
L298 is a dual full bridge driver that has a wide operating voltage range and can handle load currents up. The l298 h bridge is base on l298 chip manufacture by st semiconductor. This rpm depends on the supplied voltage, it will fault dc, current is 0.14 ampere and speed is 3500 rpm, 818 volt dc current is 0.15 ampere.

Source: circuitstoday.com
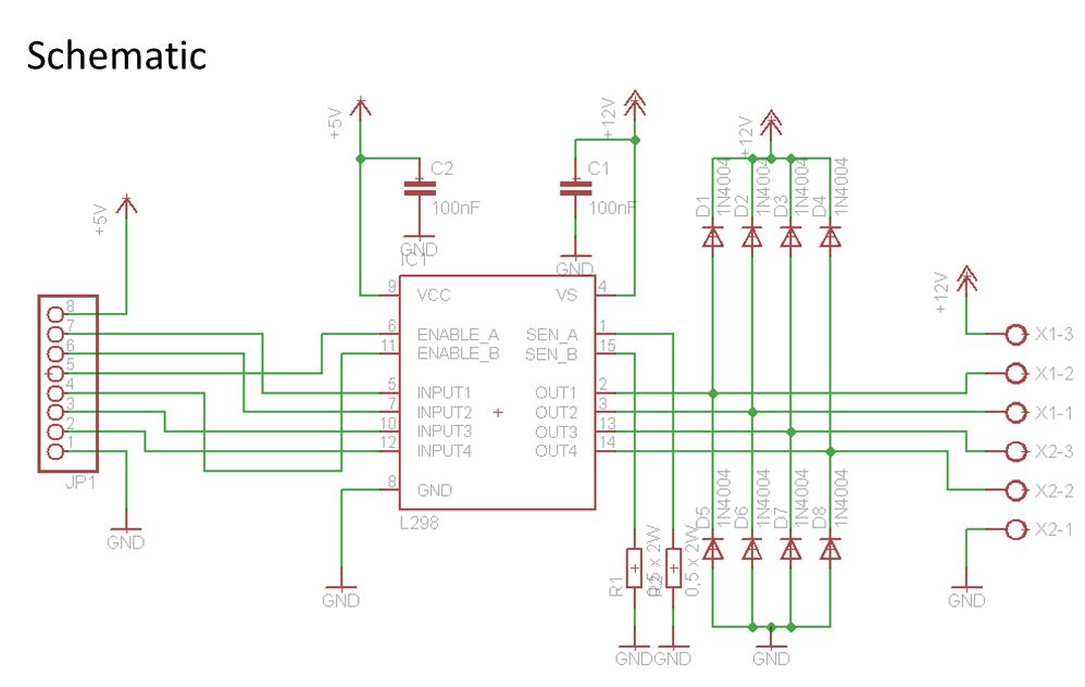
The above given is the pin diagram of the ic l298. L298 pin diagram and working of the h bridge motor driver. Circuit and diagram created in pcbwizard. There are three input pins for each motor input1 , input 2 and enable 1 controls the motor 1 while input 3,input4 and enable 2 controls the motor 2. 775 motor with.

Source: makeitmech.com
The l298 dubai h bridge is base on l298 chip manufacture by st semiconductor. It is a high voltage and high current full dual bridge driver designed to accept standard ttl logic level and drive inductive loads such as relays, solenoids and dc stepper motor. It accepts standard ttl logic level signals and can drive stepper motors with a voltage.

Source: forum.arduino.cc
There are three input pins for each motor input1 , input 2 and enable 1 controls the motor 1 while input 3,input4 and enable 2 controls the motor 2. Arduino nano l298 stepper motor arduino arduino projects stepper motor arduino and l298n circuit diagram dc. The above given is the pin diagram of the ic l298. Mosfet h bridge with.

Source: wroclaw.plan.pl
Arduino nano l298 stepper motor arduino arduino projects stepper motor arduino and l298n circuit diagram dc. The l298 dubai h bridge is base on l298 chip manufacture by st semiconductor. L298 is a dual full bridge driver that has a wide operating voltage range and can handle load currents up. H bridge l298, circuit and diagram. The circuit is based.

Source: duino4projects.com
Each bridge has an enable input, which allows or prohibits the device to work without being affected by the input signal. Arduino nano l298 stepper motor arduino arduino projects stepper motor arduino and l298n circuit diagram dc. Mosfet h bridge with opto isolation electronic circuit projects electronic engineering electronics background L298 is a high voltage and high current motor drive.

Source: duino4projects.com
It is a high voltage and high current full dual bridge driver designed to accept standard ttl logic level and drive inductive loads such as relays, solenoids and dc stepper motor. The circuit will allow you to easily and independently control two motors of up to 2a Find this pin and more on circuit diagram by hanif dogar. The circuit.

Source: electronics.stackexchange.com
Motors will last much longer and be more reliable if controlled through pwm. The circuit will allow you to easily and independently control two motors of up to 2a each in both directions.it is ideal for robotic applications and well suited for connection to a. The circuit will allow you to easily and independently control two motors of up to.

Source: software.o-o.ro
The output for motor 1 is obtained from output1/output2 and output3/output4 as. Given below is an h bridge motor control and driver circuit using ic l298. L298 pin diagram and working of the h bridge motor driver. Motors will last much longer and be more reliable if controlled through pwm. What is pulse width modulation?

Source: 14core.com
775 motor with l298n dual h bridge motor driver and arduino, circuit diagram and code. H bridge made with integrated l298. The rated speed of the double 75 motor is from 3500 to 7000 rpm revolutions per minute. Given below is an h bridge motor control and driver circuit using ic l298. It is a high voltage and high current.

Source: filibuster-buster.weebly.com
The rated speed of the double 75 motor is from 3500 to 7000 rpm revolutions per minute. It is a high voltage and high current full dual bridge driver designed to accept standard ttl logic level and drive inductive loads such as relays, solenoids and dc stepper motor. The circuit will allow you to easily and independently control two motors.

Source: forum.allaboutcircuits.com
Circuit and diagram created in pcbwizard. Arduino nano l298 stepper motor arduino arduino projects stepper motor arduino and l298n circuit diagram dc. L298 is a dual full bridge driver that has a wide operating voltage range and can handle load currents up. The above given is the pin diagram of the ic l298. The circuit will allow you to easily.

Source: pinterest.com
It accepts standard ttl logic level signals and can drive stepper motors with a voltage of 46v and 2.5a per phase or below. The above given is the pin diagram of the ic l298. It is a high voltage and high current full dual bridge driver designed to accept standard ttl logic level and drive inductive loads such as relays,.

Source: theengineeringprojects.com
The external bridge of diodes d1 to d4 is made by four fast recovery elements (trr ≤. H bridge made with integrated l298. What is pulse width modulation? Matic diagram for which only one bridge is needed. A number of h bridge motor driver ic s are available and all of them work in pretty much the same fashion.

Source: favpng.com
H bridge l298, circuit and diagram. Pulse width modulation is a means in controlling the duration of an electronic pulse. Most hobbyists will probably never use the ic on its own, opting instead for one of the various premade modules that utilize the chip. Arduino nano l298 stepper motor arduino arduino projects stepper motor arduino and l298n circuit diagram dc..

Source: bristolwatch.com
Given below is an h bridge motor control and driver circuit using ic l298. Each bridge has an enable input, which allows or prohibits the device to work without being affected by the input signal. L298 is a high voltage and high current motor drive chip which receives ttl logic signals. The output for motor 1 is obtained from output1/output2.

Source: ozcott.com
The l298 h bridge is base on l298 chip manufacture by st semiconductor. Motors will last much longer and be more reliable if controlled through pwm. L298 is a high voltage and high current motor drive chip which receives ttl logic signals. The circuit will allow you to easily and independently control two motors of up to 2a each in.

Source: pinterest.co.kr
The circuit will allow you to easily and independently control two motors of up to 2a The above given is the pin diagram of the ic l298. L298 is a high voltage and high current motor drive chip which receives ttl logic signals. L298 is a dual full bridge driver that has a wide operating voltage range and can handle.

Source: robotgear.com.au
775 motor with l298n dual h bridge motor driver and arduino, circuit diagram and code. Pulse width modulation is a means in controlling the duration of an electronic pulse. This rpm depends on the supplied voltage, it will fault dc, current is 0.14 ampere and speed is 3500 rpm, 818 volt dc current is 0.15 ampere and speed is 4.

Source: pic-microcontroller.com
Find this pin and more on circuit diagram by hanif dogar. A bidirectional h bridge dc motor control circuit is shown here. It is a high voltage and high current full dual bridge driver designed to accept standard ttl logic level and drive inductive loads such as relays, solenoids and dc stepper motor. The above given is the pin diagram.